触点负载
触点形式 | 1A-一组常开, 1C-一组转换 | |||
触点材料 | Ag Alloys | |||
触点负载(阻性) | A型:40A 14VDC C型:NO 40A 14VDC NC 30A 14VDC | |||
最大切换电压 | 72VDC | |||
最大切换电流 | 40A | |||
最小切换负载 | 1A 14VDC | |||
触点阻性 | ≤100mΩ(1A 6VDC) | |||
寿命 | 电气寿命 | 1×105ops | 通断比NO/OFF | 1S / 9S |
机械寿命 | 1×107ops | 通断比NO/OFF | 0.1S /0.1S | |
性能参数
绝缘电阻 | 100MΩ(500VDC) | |
介质耐压 | 触点与触点间 | 500VAC,1min |
线圈与触点间 | 500VAC, 1min | |
吸合时间 | Max,15ms | |
释放时间 | Max,10ms | |
工作环境温度 | -40℃ TO 125℃ | |
抗冲击 | 强度 | 1000m/s2(100g)(半正弦波:6ms) |
稳定性 | 100 m/s2 | |
抗振动 | 强度 | 10-55Hz,1.5mm双振幅 |
稳定性 | 10-55Hz,1.5mm双振幅 | |
引出端方式 | 印制板式 快插式 | |
重量 | 约21g 敞开型(19g ) | |
说明:上述值均为初始值
线圈参数
线圈电压 Coil voltage VDC | 吸合电压 Pick up Voltage VDC | 释放电压 Release voltage VDC | 最大电压 Max voltage VDC | 额定电流 Nominal Current (mA) |
线圈电阻 Coil Resistance Ω(1±10%) |
线圈功耗 Coil power consumption W |
12 | 75% Maximum | 10% Minimum | 130% | 133 | 90 | 约1.6 |
24 | 66 | 360 |
说明:1,使用的线圈电压低于线圈额定电压时将会损害继电器的工作.
2,吸合,释放电压仅供检测用,不是设计的使用指标.
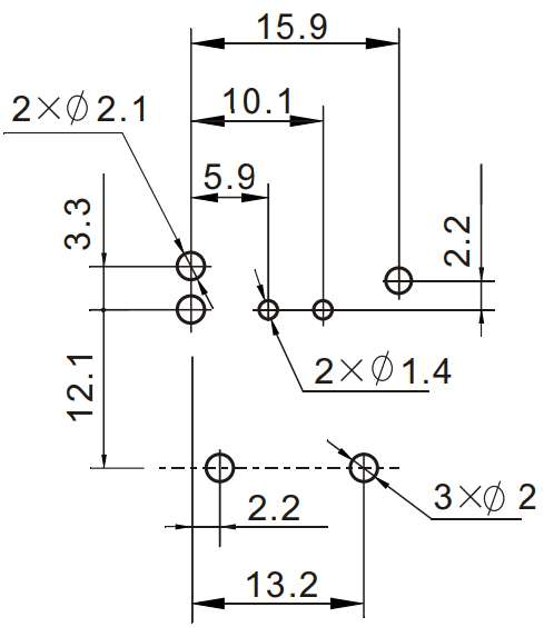
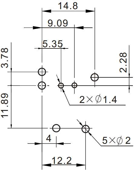
敞开型 套壳型


美规 欧规 1A 1C



