|
触点形式 |
1A-一组常开,1B-一组常闭, 1C-一组转换 |
|||
|
触点材料 |
Ag Alloys |
|||
|
触点负载(阻性) |
A型:15A 125VAC/ 10A 250VAC C型:NO 10A 250VAC/15A 125VAC NC 7A 250VAC |
|||
|
最大切换功率 |
2500VAC |
|||
|
最大切换电压 |
277VAC |
|||
|
最大切换电流 |
15A |
|||
|
触点阻性 |
≤100mΩ(1A 6VDC) |
|||
|
寿命 |
电气寿命 |
1×105ops |
通断比 ON/OFF |
1S / 9S |
|
机械寿命 |
1×107ops |
通断比 ON/OFF |
0.1S / 0.1S |
|
|
绝缘电阻 |
1000MΩ(500VDC) |
|
|
介质耐压 |
触点与触点间 |
800VAC,1min |
|
线圈与触点间 |
1600VAC, 1min |
|
|
吸合时间 |
Max,10ms |
|
|
释放时间 |
Max,10ms |
|
|
工作环境温度 |
-40℃ TO 85℃ -40℃ TO 105℃ |
|
|
抗冲击 |
强度 |
1000 m/s2 |
|
稳定性 |
100 m/s2 |
|
|
抗振动 |
强度 |
10-55Hz,1.5mm双振幅 |
|
稳定性 |
10-55Hz,1.5mm双振幅 |
|
|
引出端方式 |
印制板式 |
|
|
重量 |
约10g |
|
|
线圈电压 Coil voltage VDC |
吸合电压 Pick up Voltage VDC |
释放电压 Release voltage VDC |
最大电压 Max voltage VDC |
额定电流 Nominal Current (mA) |
线圈电阻 Coil Resistance Ω(1±10%)
|
线圈功耗 Coil power consumption W
|
|
3 |
75% Maximum |
10% Minimum |
130% |
120 |
25 |
0.36 |
|
5 |
71 |
70 |
0.36 |
|||
|
6 |
60 |
100 |
0.36 |
|||
|
9 |
40 |
225 |
0.36 |
|||
|
12 |
30 |
400 |
0.36 |
|||
|
18 |
20 |
900 |
0.36 |
|||
|
24 |
15 |
1600 |
0.36 |
|||
|
36 |
10 |
3600 |
0.36 |
|||
|
48 |
8 |
6400 |
0.36 |
|
线圈电压 Coil voltage VDC |
吸合电压 Pick up Voltage VDC |
释放电压 Release voltage VDC |
最大电压 Max voltage VDC |
额定电流 Nominal Current (mA) |
线圈电阻 Coil Resistance Ω(1±10%)
|
线圈功耗 Coil power consumption W
|
|
3 |
75% Maximum |
10% Minimum |
130% |
150 |
20 |
0.45 |
|
5 |
90 |
56 |
0.45 |
|||
|
6 |
75 |
80 |
0.45 |
|||
|
9 |
50 |
180 |
0.45 |
|||
|
12 |
38 |
320 |
0.45 |
|||
|
18 |
25 |
720 |
0.45 |
|||
|
24 |
19 |
1280 |
0.45 |
|||
|
36 |
13 |
2880 |
0.45 |
|||
|
48 |
9.5 |
5120 |
0.45 |
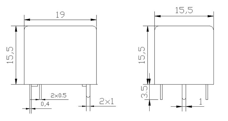
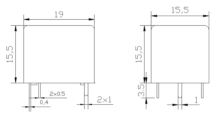
外形图、接线图、安装孔尺寸
外形图 
![]()
接线图、安装孔尺寸(底视图)
![]()


